Maori
Wā: 2026/04/25
Tirotiro: 87

Ko te CH224K Ko te Kaiwhakahaere Totohu USB-PD he ara iahiko whakauru kiato i hangaia hei whiriwhiri i te hiko mai i nga riihi USB Momo-C.E tautoko ana i nga kawa Tukunga Hiko USB me te tuku i tetahi taputapu ki te tono ngaohiko putanga tuturu penei i te 5V, 9V, 12V, 15V, me te 20V.Ma te whakahaere i te whakawhitiwhiti korero ma nga titi CC, ka mau tonu te tuku hiko me te whakahaere me te kore e hiahiatia he miihini uaua, he microcontroller waho ranei.
Ka whakangwarihia e tenei kaiwhakahaere te hoahoa hiko USB-C ma te whakamahi i nga titi whirihora, parenga ranei hei whiriwhiri i te taumata ngaohiko e hiahiatia ana.Ka tautokohia e ia nga paerewa PD maha, ka taea e ia te hapai i nga taumata hiko teitei ki te 100W, e pai ana mo te whakahaere hiko pai.Ko nga ahuatanga whakamarumaru-a-roto penei i te ngaohiko nui me te whakamarumaru wera-nui ka awhina i te whakapai ake i te haumaru me te pono o te punaha.
Mena kei te pirangi koe ki te hoko i te CH224K, tena koa whakapiri mai ki a maatau mo te utu me te waatea.

|
Pin
Kao. |
Pin
Ingoa |
Whakaahuatanga |
|
1 |
VDD |
Tuku hiko
whakauru mo te maramara |
|
2 |
CFG2 |
Whirihoranga
titi mo te whiriwhiringa ngaohiko |
|
3 |
CFG3 |
Whirihoranga
titi mo te whiriwhiringa ngaohiko |
|
4 |
DP |
raraunga USB
raina pai (whakamahia mo te kimi kawa) |
|
5 |
DM |
raraunga USB
raina kino (whakamahia mo te rapu kawa) |
|
6 |
CC2 |
USB Momo-C
Whirihoranga Channel 2 mo te korero PD |
|
7 |
CC1 |
USB Momo-C
Whirihoranga Channel 1 mo te korero PD |
|
8 |
VBUS |
Whakauru hiko mai
te puna USB-C |
|
9 |
CFG1 |
Whirihoranga
titi mo te whiriwhiringa ngaohiko |
|
10 |
PG |
Te Mana Pai
tohu whakaputa |
|
— |
GND |
Tohutoro whenua
mo te taiawhio |
|
Whakatakotoranga |
CH221K |
CH224Q |
IP2721 |
HUSB238 |
CYPD3174 |
|
Tautoko Kawa |
PD 3.0/2.0 anake |
PD + QC + AFC |
PD + QC + AFC |
PD anake |
PD
(ka taea te papatono) |
|
Ngaohiko Whakauru
Awhe |
4V – 22V |
4V – 22V |
3.6V – 24V |
3V – 24V |
Whānui (e whakawhirinaki ana ki
whirihora) |
|
Ngaohiko Putanga
Kōwhiringa |
5V / 9V / 12V /
15V / 20V |
He rite ki te CH224K |
PD ngawari
pūkete |
Pumau PD
pūkete |
Tino
ka taea te hōtaka |
|
Te Mana Nui
Tautoko |
Tae atu ki te 100W |
Tae atu ki te 100W |
Tae atu ki te 100W |
Tae atu ki te 100W |
Tae atu ki te 100W+ |
|
Whirihoranga
Tikanga |
Ātete anake |
Parenga / Pin |
Pin / I²C
(he rereke) |
whirihora pine |
Pūmanawa (MCU
e hiahiatia ana) |
|
MCU o waho
E hiahiatia ana |
Kao |
Kao |
Kōwhiringa |
Kao |
Ae |
|
Utu Tere
Kawa |
Kao |
Ae |
Ae |
Kao |
He iti |
|
Parenga
Ngā āhuatanga |
Taketake |
OVP, OTP |
OVP, OTP |
OVP, OTP |
Arā atu
whakamarumaru |
|
Taumata Matatini |
Tino Iti |
Iti |
Iti–Waenga |
Iti |
Teitei |
|
Momo kete |
SMD iti |
DFN / SMD |
SMD |
SMD |
QFN |

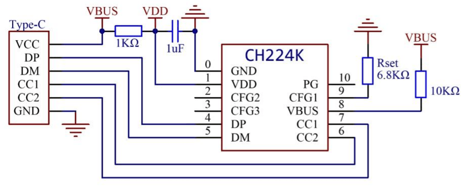
I roto i tenei hoahoa, ka mahi te CH224K ma te hono ki tetahi puna USB Momo-C me te whakahaere me pehea te whiwhi mana mai i te kawa Tukunga Mana USB.Ina whakauruhia te taura, ka tukuna e te raina VBUS te ngaohiko whakauru, i te wa e whakakaha ana te titi VDD i te ara iahiko o roto o te IC.Ka awhina te pūnga iahiko ki te whakaū i te tuku, ka whakawhāitihia e te parenga rangatū te nāianei i te whakaohooho hei tiaki i te taputapu.
Ko nga titi CC1 me CC2 e hono ana ki te atanga Momo-C me te hapai i te whakawhitiwhiti korero me te riihi.Na roto i enei raina, ka tukuna e te CH224K he tono mo te taumata ngaohiko motuhake.Ko te ngaohiko kua tohua ka whakawhirinaki ki te whirihoranga o nga titi CFG1, CFG2, me CFG3, e whakamahi ana i nga parenga o waho hei tautuhi i te putanga e hiahiatia ana.
I muri i nga whiriwhiringa angitu, ka tukuna e te kaitarai te ngaohiko i tonoa, ka kaha te titi PG (Power Good) ki te tohu he pumau te putanga.E whakaatu ana tenei me pehea te whakahaere a te CH224K i te tuku hiko USB-C ma te ngawari me te whakahaere me te kore e hiahia ki te arorau mana.
• Tautoko Tukunga Mana USB – Hototahi ki te USB PD 2.0 me te 3.0 mo te whiriwhiringa mana mana
• Putanga Ngaohiko Maha – Tautoko 5V, 9V, 12V, 15V, me te 20V kōwhiringa
• Te Kaha Kaha Teitei – Ka mau ki te 100W i runga i te puna hiko
• Kaore he MCU e hiahiatia ana – Ka mahi me te kore he microcontroller, he maamaa te hoahoa
• Whirihoranga Ahu-Piti – Ka taea te whakarite te ngaohiko ma te whakamahi i nga titi CFG, i nga parenga ranei
• Tautoko Atanga Momo-C - Ka mahi tika me nga hononga USB Momo-C ma CC1 me CC2
• Tautoko Kawa Utu Tere - He hototahi ki te QC, AFC, me etahi atu tikanga (e whakawhirinaki ana ki te rereke)
• Awhe Ngaohiko Whakauru Whanui – Ko te tikanga mahi mai i te 4V ki te 22V
• Parenga-i roto – Kei roto ko te whakamarumaru o te ngaohiko (OVP) me te whakamarumaru i runga i te pāmahana (OTP)
• Tohu Pai Mana – Ko nga tohu titi PG ka tau te ngaohiko whakaputa
• Mōkī Kiato – Moeke SMD iti (ESSOP-10) mo nga hoahoa mokowhiti
• He iti nga Wae o waho - Me iti nga waahanga taapiri mo te mahi
• USB-C PD keu kōwae
• Papa tuku hiko kawe
• Pūnaha utu pākahiko
• DIY pūurutau ngaohiko te whakarite
• Ko nga waahanga whakauru hiko o te punaha whakauru
• Nga hononga whakawhiti hiko pona
• te mana whakauru mana taraiwa arahina
• Nga papa whakahaere hiko hiko iti
• Nga taputapu hototahi te utu tere
• Atanga mana whakahaere ahumahi

Ko te CH224K USB-PD Totohu Kaiwhakahaere te whakahaere i te tuku mana USB-C i roto i te tini o nga hoahoa hiko.Ko tana kaha ki te whiriwhiri i nga taumata ngaohiko maha, me te whirihoranga ngawari me nga waahanga whakamarumaru kua hangaia, ka waiho hei whiringa pono mo te whakahaere hiko.Ko te hanganga titi maamaa, ngawari te whakauru, me te waatea o nga IC rereke ka whakarei ake i tana ngawari mo nga whakaritenga hoahoa rereke.Ma te mohio ki tana mahinga hoahoa, ki nga whakaritenga, me nga kaha, ka taea e nga kaihoahoa te whakamahi pai i nga punaha hiko USB-PD.
Ka tohua e koe te ngaohiko whakaputa ma te tautuhi i nga titi CFG me nga uara parenga motuhake me nga huinga titi i runga i te papaaarangi.
Kao, ka tono he ngaohiko pumau.Ko te mana e waatea ana ka whakawhirinaki ki nga tohu PD e tautokohia ana e te rihi.
Ka hoki ano ki te ngaohiko USB paerewa (5V), engari ko te mahi katoa e hiahia ana he riihi hototahi USB-PD.
Ka taunoa te kaiwhakahaere ki te ngaohiko haumaru, te tikanga 5V, hei aukati i te kino.
Ko te whakamarumaru taketake kua whakauruhia ki roto, engari he whakamarumaru taapiri penei i nga kohu me nga diodes TVS ka taea te whakapai ake i te haumarutanga o te punaha.
Ko te pumau o te ngaohiko kei runga i te puna USB-PD, engari ma te maramara e whakarite te whiriwhiringa tika me te whakaputanga pumau.
Kao, ka tautoko noa i te kowhiringa ngaohiko pumau ma nga whirihoranga kua tautuhia.
Ka mahi pea i te 5V anake, na te mea kaore a USB-A i te tautoko i nga korero USB-PD katoa.
Ko te tikanga ka puta te whiriwhiringa i roto i nga manomano i muri i te hononga.
Kia poto nga rarangi CC, whakamahia te papa whenua tika, ka whakanoho i nga punga hiko wehe kia tata ki te titi VDD kia pai ai te mahi.
CAP CER 0.33UF 25V X7R 1206
IC DAS 12BIT 133K 20SSOP
IC DAC 16BIT A-OUT 64VQFN
IC OPAMP GP 2 CIRCUIT 8MSOP
IC DGTL POT 1KOHM 32TAP 8MSOP
DC DC CONVERTER 12V 150W
IC SCREEN CNTRL 12BIT 16SSOP
IC MCU 8BIT
INTEL TSOP48
DIODE GEN PURP 2KV 1A DO41
TI BGA
AP1307SA ATC




